
倘若您有什么疑問或是對我公司有任何
的意見和建議都可通過:
的意見和建議都可通過:
公司名稱: 鞏義市西村鎮華豐給排水材料廠
公司地址: 河南省鞏義市西村開發區
電話: 0371-64033589
手機: 18638168566,13683712868
13783416000(技術)
聯系人: 王先生,位女士
郵政編碼: 451200
E-MAIL: 1696257948@qq.com
網址:http://m.0574b2b.cn/
網址:http://m.0574b2b.cn/
雙密封柔性防水套管
標簽:該產品可按照客戶要求訂做,如需訂做請向客服提供您的參數表
華豐竭誠為您服務,熱線電話0371-64033589


產品詳細介紹:
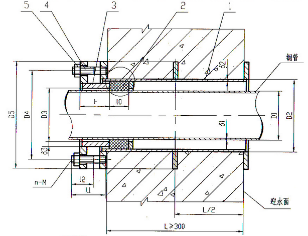
雙密封柔性防水套管一般適用于管道穿過墻壁之處受有振動或有嚴密防水要求的構筑物,用于減震需要的管路。柔性防水套管主要用在人防墻,水池等要求很高的地方。安裝完畢后允許變形。柔性防水套管除了外部翼環,內部還有擋圈,法蘭內絲。剛性防水套管是鋼管外加翼環(鋼板做的環形套在鋼管上)裝于墻內(多為混凝土墻)。
雙密封柔性防水套管說明:
1、柔性填料材料:瀝青麻絲、聚苯乙稀板、聚氯乙稀泡沫塑料板。
2、密封膏、聚硫密封膏、聚氨脂密封膏。
3、套管穿墻處如遇非混凝土墻時,應局部改用混凝土墻壁,其澆注范圍應比翼環直徑大200mm,而且必須將套管一次澆固于墻內。
4、穿管處混凝土墻厚小于300,否則應使墻壁一邊加厚或兩邊加厚。加厚部分的直徑至少比翼環直徑大200mm.
5、套管的重量L=300計算,如墻厚大于300時,應另行計算。
6、柔性防水套管可根據用戶需要制作S312或者S404標準,訂貨時請注明管外徑及適用墻厚。
雙密封柔性防水套管材料表:
| 序號 | 名稱 | 數量 | 材料 |
| 1 | 法蘭套管 | 1 | Q235-A |
| 2 | 密封圈I型 | 2 | 橡膠 |
| 3 | 密封圈II型 | 1 | 橡膠 |
| 4 | 法蘭壓蓋 | 1 | Q235-A |
| 5 | 螺栓 | n | 4.8 |
| 6 | 螺母 | n | 4 |
| DN | D1 | D2 | D3 | D4 | D5 | Ⅰ | 10 | Ⅰ1 | Ⅰ2 | D1 | D2 | D3 | n-M | |
| Ⅰ型 | Ⅱ型 | |||||||||||||
| 50 | 60 | 95 | 65 | 145 | 200 | 65 | 28 | / | 72 | 30 | 3.5 | 4 | 8 | 4-M12 |
| 65 | 76 | 114 | 80 | 165 | 220 | 65 | 28 | 25 | 72 | 30 | 3.75 | 4 | 8 | 4-M12 |
| 80 | 89 | 127 | 95 | 180 | 235 | 65 | 28 | 25 | 76 | 38 | 4 | 4 | 10 | 4-M16 |
| 100 | 108 | 146 | 114 | 200 | 255 | 65 | 28 | 25 | 76 | 38 | 4 | 4.5 | 10 | 4-M16 |
| 125 | 133 | 180 | 140 | 235 | 290 | 65 | 28 | 25 | 76 | 38 | 4 | 6 | 10 | 6-M16 |
| 150 | 159 | 203 | 165 | 260 | 215 | 65 | 28 | 25 | 76 | 38 | 4.5 | 6 | 10 | 6-M16 |
| 200 | 219 | 265 | 226 | 320 | 375 | 65 | 28 | 25 | 76 | 38 | 6 | 6 | 10 | 6-M16 |
| 250 | 273 | 325 | 280 | 380 | 435 | 65 | 28 | 25 | 76 | 38 | 8 | 8 | 10 | 8-M16 |
| 300 | 325 | 377 | 333 | 435 | 495 | 72 | 28 | 30 | 90 | 46 | 8 | 10 | 10 | 8-M20 |
| 350 | 377 | 426 | 385 | 485 | 545 | 72 | 32 | 30 | 90 | 46 | 10 | 10 | 10 | 8-M20 |
| 400 | 426 | 480 | 435 | 540 | 600 | 72 | 32 | 30 | 90 | 46 | 10 | 10 | 10 | 12-M20 |
| 450 | 480 | 530 | 488 | 590 | 650 | 72 | 32 | 30 | 90 | 46 | 10 | 10 | 10 | 12-M20 |
| 500 | 530 | 585 | 538 | 645 | 705 | 72 | 32 | 30 | 90 | 46 | 10 | 10 | 10 | 16-M20 |
| 600 | 630 | 690 | 640 | 755 | 820 | 75 | 32 | 30 | 104 | 54 | 10 | 10 | 12 | 16-M24 |
| 700 | 720 | 780 | 730 | 845 | 910 | 75 | 40 | 30 | 104 | 54 | 10 | 10 | 12 | 20-M24 |
| 800 | 820 | 880 | 830 | 950 | 1020 | 80 | 40 | 40 | 117 | 60 | 10 | 10 | 12 | 20-M27 |
| 900 | 920 | 980 | 930 | 1050 | 1120 | 80 | 40 | 40 | 117 | 60 | 10 | 10 | 12 | 20-M27 |
| 1000 | 1020 | 1080 | 1030 | 1150 | 1220 | 80 | 40 | 40 | 117 | 60 | 10 | 10 | 12 | 24-M27 |
更多產品詳情可來電咨詢
聯系人:王先生 13783416000 魏女士 13683712868
上一篇:加長加翼環柔性防水套管
下一篇:A型剛性防水套管
版權所有:華豐管道 地址:河南省鞏義市西村開發區 服務熱線:0371-64033589 管理入口E-MAIL: 1696257948@qq.com 手機: 18638168566,13783416000
網站備案/許可證號: 豫ICP備11026537號-5
豫公網安備 41910102000259號 技術支持:鞏義開啟網絡
本網站支持新廣告法,為不影響客戶瀏覽,頁面區域用詞正在排查修改,本店所有頁面絕對化用詞和功能性用詞在此聲明前全部失效,不接受不妥協任何形式的絕對化用詞和功能性用詞賠付,希望各位消費者理解,職業打假人高抬貴手。 網站備案/許可證號: 豫ICP備11026537號-5
豫公網安備 41910102000259號 技術支持:鞏義開啟網絡
