
倘若您有什么疑問或是對我公司有任何
的意見和建議都可通過:
的意見和建議都可通過:
公司名稱: 鞏義市西村鎮華豐給排水材料廠
公司地址: 河南省鞏義市西村開發區
電話: 0371-64033589
手機: 18638168566,13683712868
13783416000(技術)
聯系人: 王先生,位女士
郵政編碼: 451200
E-MAIL: 1696257948@qq.com
網址:http://m.0574b2b.cn/
網址:http://m.0574b2b.cn/
S312型剛性防水套管
標簽:該產品可按照客戶要求訂做,如需訂做請向客服提供您的參數表
華豐竭誠為您服務,熱線電話0371-64033589


產品簡介:
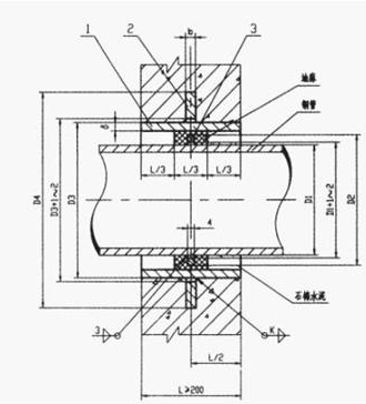
S312型剛性防水套管適用于管道穿墻處不受管道振動和伸縮的構(建)筑物,適用于管道穿墻處空間有限或管道安裝先于構(建)筑物或管道的更新改造。安裝完畢后不允許變形。
剛性防水套管說明:
1 、剛性防水套管,適用于鑄鐵管,也適用于非金屬管,但應根據采用管材的管壁厚度修正有關尺寸。
2、翼環及鋼套管加工完成后,在其外壁均刷底漆一遍(底漆包括樟丹或冷底子油)。
3 、套管尺寸表內所列之材料重量為鋼套管(套管長度L 值按200mm 計算)及翼環之重量。鋼套管及翼環用A3 材料制作,T42 焊條焊接。
4 、套管穿墻處之墻壁,如遇非混凝土墻壁時應改用混凝土墻壁,其澆注混凝土范圍,Ⅱ型套管應比翼環直徑(D4 )大200mm ,而且必須將套管一次澆固于墻內。套管內的填料應緊密搗實。
5 、防水套管處的混凝土墻厚,應不小于200mm ,否則應使墻壁一邊或兩邊加厚,加厚部分的直徑,*小應比翼環直徑(D4 )大200mm 。
6、剛性防水套管多用油麻、石棉水泥填充,填充后緊密搗實。
剛性防水套管安裝:
1、在加工制作套管前認真熟悉圖紙并分析如何制作安裝預埋套管。
2、給排水套管在制作時應注意,安裝后應管口與墻、梁、柱完成面相平。
3、鋼套管須與止水翼環周邊滿焊。
4、管道坡度應均勻,不得有倒坡,屋面出口處管道坡度應適當增大。
5、檢查所有管件有無裂縫、有無砂眼、管壁是否厚薄均勻。
6、管道在使用前應觀察外觀、灌水和外壁沖水逐根檢查有無裂縫、有無砂眼。
7、檢查所有承插口是否到位、牢固、密實。
8、管道安裝應按施工驗收規范設置支吊架。
9、根據建筑平面圖,結構管面圖以及建筑立面圖,來確定套管的長度。再根據給排水平面圖和大樣圖,并參照標準圖集來制作。
10、在制作防水套管時,翼環和套管厚度應符合規范要求,防水套管的翼環兩邊應雙面滿焊,且焊縫飽滿,平整,光滑,無夾渣,無氣泡,無裂紋等現象。焊好后,把焊渣清理干凈,再刷兩遍以上的防銹漆。在安裝時,套管兩端應用鋼筋三方以上夾緊固定牢固,并不得歪斜。
技術參數
| DN | D1 | D2 | D3 | D4 | δ | C | 重量 (kg) | |
| 鑄鐵管 | 球墨鑄鐵管 | |||||||
| 75 | 93 | - | 115 | 135 | 245 | 12 | 10 | 9.25 |
| 100 | 118 | 118 | 140 | 160 | 270 | 12 | 10 | 1O.89 |
| 150 | 169 | 170 | 190 | 220 | 330 | 16 | 12 | 21.12 |
| 200 | 220 | 220 | 240 | 270 | 380 | 16 | 12 | 25.91 |
| 250 | 271.6 | 274 | 295 | 325 | 435 | 16 | 12 | 31.17 |
| 300 | 322.8 | 326 | 377 | 380 | 500 | 16 | 12 | 37.40 |
| 350 | 374 | 378 | 400 | 435 | 555 | 20 | 16 | 50.66 |
| 400 | 425.6 | 429 | 450 | 485 | 605 | 20 | 16 | 56.45 |
| 450 | 476.8 | - | 500 | 535 | 655 | 20 | 16 | 62.24 |
| 500 | 528 | 532 | 555 | 595 | 735 | 22 | 18 | 81.94 |
| 600 | 630.8 | 635 | 660 | 700 | 840 | 22 | 18 | 96.27 |
| 700 | 733 | 738 | 760 | 805 | 945 | 26 | 20 | 126.1 |
| 800 | 836 | 842 | 865 | 910 | 1050 | 26 | 20 | 142.4 |
| 900 | 939 | 945 | 970 | 1020 | 1160 | 28 | 20 | 175.3 |
| 1000 | 1041 | 1048 | 1075 | 1125 | 1265 | 28 | 20 | 193.3 |
| 1100 | 1144 | - | 1170 | 1225 | 1365 | 30 | 24 | 229.4 |
| 1200 | 1246 | 1255 | 1280 | 1335 | 1475 | 30 | 24 | 250.0 |
更多產品詳情可來電咨詢
聯系人:王先生 13783416000 魏女士 13683712868
上一篇:S312型柔性防水套管
下一篇:剛性密閉套管
版權所有:華豐管道 地址:河南省鞏義市西村開發區 服務熱線:0371-64033589 管理入口E-MAIL: 1696257948@qq.com 手機: 18638168566,13783416000
網站備案/許可證號: 豫ICP備11026537號-5
豫公網安備 41910102000259號 技術支持:鞏義開啟網絡
本網站支持新廣告法,為不影響客戶瀏覽,頁面區域用詞正在排查修改,本店所有頁面絕對化用詞和功能性用詞在此聲明前全部失效,不接受不妥協任何形式的絕對化用詞和功能性用詞賠付,希望各位消費者理解,職業打假人高抬貴手。 網站備案/許可證號: 豫ICP備11026537號-5
豫公網安備 41910102000259號 技術支持:鞏義開啟網絡
